X7 is an industrial-grade expansion module specially designed for the ARMxy series ARM embedded computers. The module features overvoltage protection, fault protection, and overcurrent protection circuit designs to ensure stability and reliability in complex industrial environments.
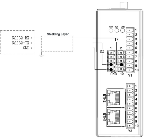
X2 is an industrial-grade serial communication expansion module specifically designed for the ARMxy series ARM embedded computers. The module features electrical isolation, overvoltage protection, ESD protection, fault protection, and overcurrent protection circuit designs, ensuring stability and reliability in complex industrial environments.
|
Name |
Parameter |
Description |
|
Power Supply |
Operating Power |
Internal Voltage |
|
Working Voltage |
12-24V |
|
|
Power Consumption |
2W |
|
|
RS232 |
Channel |
4 Channels |
|
Maximum Baud Rate |
RS232: 115kbps |
|
|
Data Bits |
RS232: 5-bit, 6-bit, 7-bit, 8-bit (configurable) |
|
|
Stop Bits: |
RS232: 1-bit, 2-bit (configurable) |
|
|
Parity |
RS232: Odd parity, Even parity, No parity (configurable) |
|
|
Flow Control |
RS232: Not supported |
|
|
Impedance |
RS232: Input impedance 300 Ω, Output impedance 3 kΩ |
|
|
Measured Distance and Operating Baud Rate |
RS232: 15 meters (baud rate ≤ 1200 bps) |
|
|
Supports Multi-Drop Communication |
RS232: Not supported |
|
|
Communication Mode |
RS232: Full-duplex / Half-duplex / Simplex |
|
|
Data Transmission Mode |
RS232: Transmit and receive mode, Receive-only mode, Transmit-only mode |
|
|
Logic Level |
Logic “1”: 1.5 V |
|
|
|
Logic “0”: 2.4 V |
|
|
Maximum Output Current per Channel |
100mA (at 26℃) |
|
|
Isolation Protection |
2KVrms (built-in) |
|
|
Communication Cable Requirements |
Shielded twisted pair cable |
|
|
Certifications |
EMC |
IEC 61000-4-2 (ESD) Level 3 |
|
IEC 61000-4-4 (EFT) Level 3 |
||
|
IEC 61000-4-5 (Surge) Level 3 |
