X6 is an industrial-grade expansion module specially designed for the ARMxy series ARM embedded computers. The module features overvoltage protection, fault protection, and overcurrent protection circuit designs to ensure stability and reliability in complex industrial environments.
X6 is an industrial-grade expansion module specially designed for the ARMxy series ARM embedded computers. The module features overvoltage protection, fault protection, and overcurrent protection circuit designs to ensure stability and reliability in complex industrial environments.
|
Name |
Parameter |
Description |
|
Power Supply |
Operating Power |
Internal Voltage |
|
Working Voltage |
12V-24V |
|
|
Power Consumption |
2W |
|
|
RS485 |
Channel |
2 Channels |
|
Maximum Baud Rate |
RS485: 10Mbps |
|
|
Data Bits |
RS485: 5-bit, 6-bit, 7-bit, 8-bit (configurable) |
|
|
Stop Bits: |
RS485: 1-bit, 2-bit (configurable) |
|
|
Parity |
RS485: Odd parity, Even parity, No parity (configurable) |
|
|
Flow Control |
RS485: Not supported |
|
|
Impedance |
RS485: 120 Ω |
|
|
Measured Distance and Operating Baud Rate |
RS485: 200 meters (baud rate ≤ 115200 bps) |
|
|
Supports Multi-Drop Communication |
RS485: Requires custom development |
|
|
Communication Mode |
RS485: Unidirectional Half-duplex / Simplex |
|
|
Data Transmission Mode |
RS485: Transmit and receive mode, Receive-only mode, Transmit-only mode |
|
|
Logic Level |
Logic “1”: -3 V |
|
|
|
Logic “0”: +3 V |
|
|
Maximum Output Current per Channel |
100mA (at 26℃) |
|
|
Isolation Protection |
2KVrms (built-in) |
|
|
Communication Cable Requirements |
Shielded twisted pair cable |
|
|
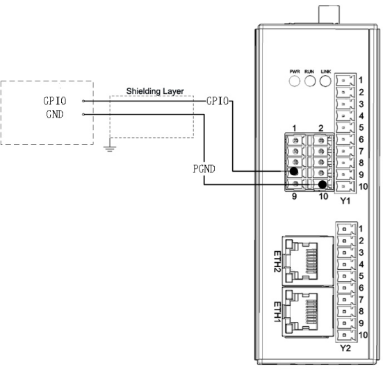
GPIO |
Channel |
4 Channels |
|
Output Mode |
Single-ended output |
|
|
Output Voltage |
High level: 3.3V Low level: 0.7V |
|
|
Maximum Output Current per Channel |
5mA |
|
|
Input Withstand Voltage |
Maximum voltage: 3.5V Minimum voltage: 0V |
|
|
Input Logic Level |
Logic 1: 3.0V ~ 3.5V Logic 0: 0V ~ 1.0V |
|
|
Input Current |
5mA |
|
|
Electrical Isolation |
Not supported |
|
|
Certifications |
EMC |
IEC 61000-4-2 (ESD) Level 3 |
|
IEC 61000-4-4 (EFT) Level 3 |
||
|
IEC 61000-4-5 (Surge)Level 3 |
Note: The GPIO ports do not support electrical isolation and cannot withstand transient high voltage or large current.

