X28 is an I/O expansion module specifically designed for the ARMxy series ARM embedded industrial computers. It features electrical isolation, over-voltage protection, ESD protection, fault protection, and over-current protection circuits to ensure stability and reliability in complex industrial environments.
|
Name |
Parameter |
Description |
|
|
Power Supply |
Operating Power |
Internal Voltage |
|
|
Operating Voltage |
12V-24V |
||
|
Power Consumption |
2W |
||
|
RS485/RS232 |
Channel |
2 Channels |
|
|
Transmission Mode |
Optional: 2×RS232 or 2×RS485 |
||
|
Maximum Baud Rate |
RS232: 115kbps RS485: 10Mbps |
||
|
Data Bits |
RS232: 5-bit, 6-bit, 7-bit, 8-bit (configurable) RS485: 5-bit, 6-bit, 7-bit, 8-bit (configurable) |
||
|
Stop Bits |
RS232: 1-bit, 2-bit (configurable) RS485: 1-bit, 2-bit (configurable) |
||
|
Parity |
RS232: Odd parity, Even parity, No parity (configurable) RS485: Odd parity, Even parity, No parity (configurable) |
||
|
Flow Control |
RS232: Not supported RS485: Not supported |
||
|
Impedance |
RS232: Input impedance 300 Ω, Output impedance 3 kΩ RS485: 120 Ω |
||
|
Measured Distance and Operating Baud Rate |
RS232: 15 meters (baud rate ≤ 1200 bps) RS485: 200 meters (baud rate ≤ 115200 bps) |
||
|
Supports Multi-Drop Communication |
RS232: Not supported RS485: Requires custom development |
||
|
Communication Mode |
RS232: Full-duplex / Half-duplex / Simplex RS485: Unidirectional Half-duplex / Simplex |
||
|
Data Transmission Mode |
RS232: Transmit and receive mode, Receive-only mode, Transmit-only mode RS485: Transmit and receive mode, Receive-only mode, Transmit-only mode |
||
|
Logic Level |
RS232 |
Logic “1”: 1.5V |
|
|
Logic “0”: 2.4V |
|||
|
RS485 |
Logic “1”: -3V |
||
|
Logic “0”: +3V |
|||
|
Maximum Output Current per Channel |
100mA (at 26℃) |
||
|
Isolation Protection |
2KVrms (built-in) |
||
|
Communication Cable Requirements |
Shielded twisted pair cable |
||
|
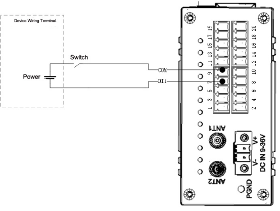
Digital Input |
Channel |
12 Channels |
|
|
Trigger Mode |
Low-level trigger or high-level trigger (optional) |
||
|
Dry/Wet Contact |
Optional |
||
|
Logic Level |
Logic “1”: +9 to +12VDC Logic “0”: -3 to +5VDC |
||
|
Isolation Protection |
2KVrms |
||
|
Certifications |
EMC |
IEC 61000-4-2 (ESD) Level 3 |
|
|
IEC 61000-4-4 (EFT) Level 3 |
|||
|
IEC 61000-4-5 (Surge) Level 3 |
|||




